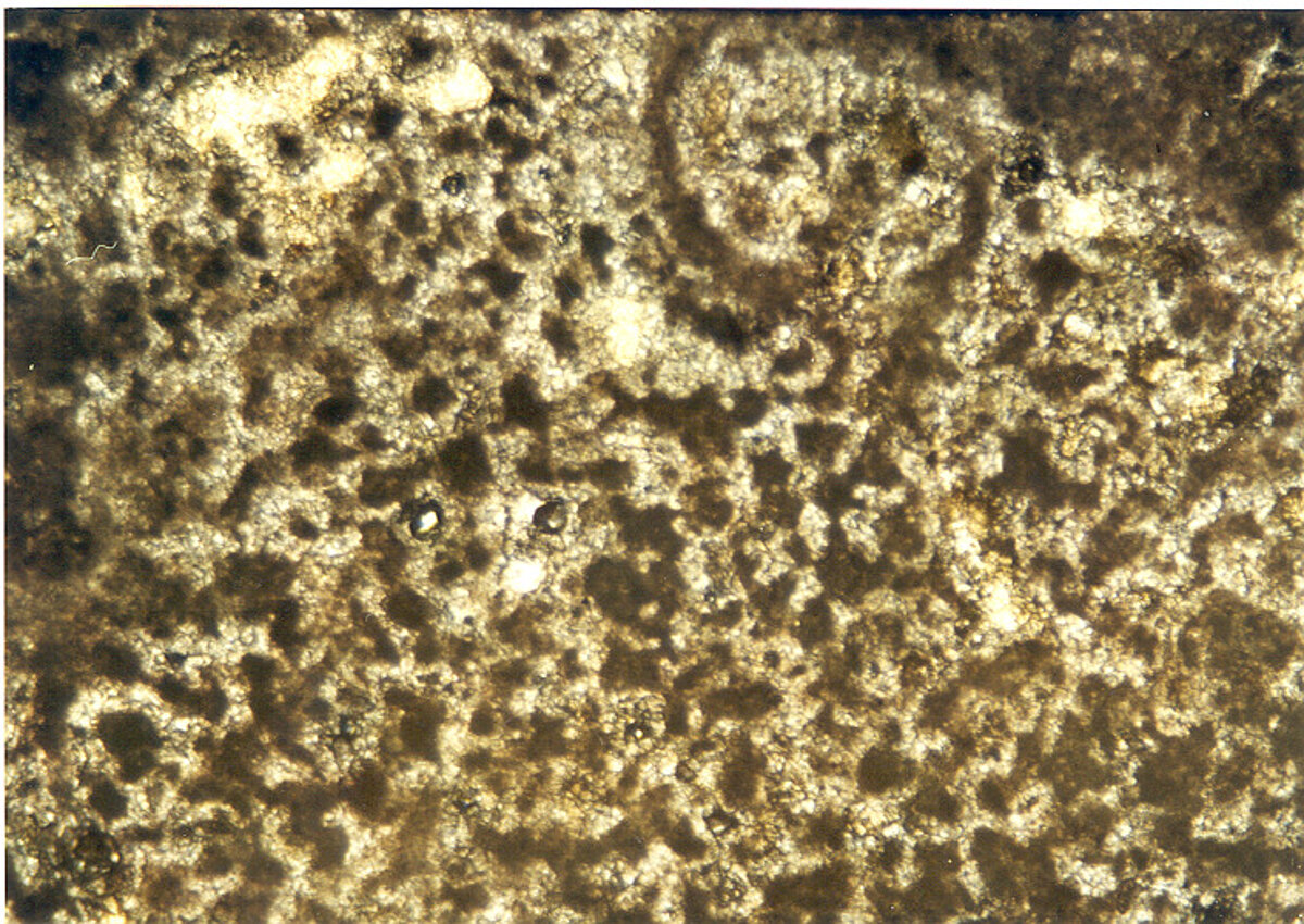
1. att. Travertīns no restaurējamās pieminekļa detaļas. LUM nodevusi I. Sidraba  2000. gadā. Foto: V. Hodireva
1. att. Travertīns no restaurējamās pieminekļa detaļas. LUM nodevusi I. Sidraba 2000. gadā. Foto: V. Hodireva

Atzīmējot Brīvības pieminekļa 90 gadu jubileju, Latvijas Universitātes (LU) Muzejā par 2025. gada decembra mēneša priekšmetu izvēlēts īpašs akmens paraugs, kas krājumā saglabāts jau 25 gadus - izcils, interesants, vēsturiski īpašs un zinātniski pētīts. Tas ir karbonātieža travertīna paraugs, kas iegūts no Brīvības pieminekļa atjaunošanas darbos (1998. - 2001.) pētītā akmens bloka. Turklāt travertīna īpašības ir atbilstošas tā gadu tūkstošiem ilgajai izmantošanai pasaules ievērojamās kultūrvēsturiskajās būvēs, tostarp arī Rīgā Brāļu kapu ansamblī un Brīvības piemineklī.

Vēsturisks atskats 

Lai gan sabiedrībā plaši izplatīts uzskats, ka “…akmens dzīvos saules mūžu…”, tomēr pilsētās vai ik uz soļa pieminekļos, monumentos un būvēs izmantoto dabīgo akmens materiālu izskats liecina par pretējo. Dabā notiekošie ģeoloģiskie procesi turpinās ilgi un to rezultāti tik viegli nemaz nav saskatāmi un pamanāmi, turpretī pilsētvidē jebkurš no būvmateriāliem – dabīgajiem vai cilvēku radītajiem – tiek pakļauts daudz spēcīgāku un agresīvāku faktoru ietekmei. Tieši tādēļ Eiropas normās un standartos noteiktais, pirms kultūrvēsturisko objektu restaurācijas veicamais nepieciešamo izpētes metožu komplekss ir diezgan plašs. Petrogrāfiskie un mineraloģiskie pētījumi veido daļu no tā. Latvijā kultūrvēsturisko būvju akmens materiālu lietišķie pētījumi uzsākti salīdzinoši nesen, bet jau tagad veidojas arvien pastāvīgāks pieprasījums pēc tiem.

Monumentālo pasaulslaveno celtņu - Vatikāna Svētā Pētera bazilikas ar tās monumentālo kolonādi, lielākās daļas baznīcu, kapellu un citu arhitektūras meistardarbu būvniecībā, īpaši 16.-17. gadsimtā, izmantots īpašs karbonātiezis - travertīns. Gaišais dzeltenīgi baltais, porainais dabīgā akmens materiāls - travertīns, kas nedaudz atgādina mūsu šūnakmeni, pēc Kārļa Zāles ieceres izmantots arī Brīvības pieminekļa Rīgā veidošanai [1], un ir ievests no Itālijas Tivoli atradnes, kas atrodas netālu no Romas. Ieža nosaukums radies no latīņu vārda “tiburtinus". Tā dēvēja Tivoli apkaimi Romas impērijas laikā. Romā Justīcijas pils celta gandrīz vienlaicīgi ar Brīvības pieminekli un apdarināta, iespējams, ar to pašu travertīnu. 2001. gadā pie pils ēkas Romā bija novietotas sastatnes un notika atjaunošanas darbi kas liecināja, ka cilvēki par kultūrvēsturisko objektu rūpējas un gādā par apdares akmens materiāla ilgmūžību [3, 4].

Mūsu tautas izcilā arhitektūras un kultūras parādība – Brīvības piemineklis (autori: tēlnieks Kārlis Zāle, arhitekts Ernests Štālbergs) arī ir viens no tiem retajiem monumentiem, kuru būvējot,  tika izmantoti ļoti dažādi dabīgie un mākslīgie akmens materiāli [2]. Piemineklī izmantoti magmatisko iežu paveidi - sārtais un pelēkais granīts, dabīgo karbonātiežu paveids travertīns, kā arī cilvēku veidotais būvmateriāls – betons [5, 6]. 

Brīvības pieminekļa mūžs no tā atklāšanas 1935. gada 18. novembrī [2] ir tikai 90 gadi – ļoti īss brīdis ģeoloģiskā laika izpratnē. Bet tā kā mūsu klimatiskie apstākļi nav paši labvēlīgākie un pilsētā vides piesārņojums pieaug, tad akmens materiālu tīrīšana, restaurācija un saglabāšana ir jāveic pastāvīgi. Šādi pasākumi jau tikuši veikti atjaunojot Rīgas Brāļu kapu ansambli. Sākumā to darīja Rīgas Tehniskās Universitātes (RTU) akmens restauratori inženierzinātņu doktores Intas Vītiņas vadībā, vēlāk piesaistot arī dažādu nozaru ķīmijas, bioloģijas, ģeoloģijas speciālistus, arī no LU. Zinātnieki konstatēja, ka iežu dēdēšanas pakāpi var noteikt jau vizuāli, bet dažādu no jauna izveidojušos kaitīgo sāļu saturu materiālā - ar ķīmiskām metodēm. Kā labu papildinājumu izmantoto dabīgo akmens materiālu izvērtēšanā, kā arī pārvērtību un izmaiņu procesu izpētē ģeologi pielietoja optiskās un elektronu mikroskopijas pētniecības metodes [7, 9]. Īpaši rūpīgi tika realizēts projekts “Brīvības pieminekļa pirms restaurācijas izpēte (1998 - 2001)", kura finansētājs bija “Brīvības pieminekļa atjaunošanas fonds'' [8]. 

2000. gadā turpinājās Brīvības pieminekļa izpēte un restaurācija.  Tika realizēta zinātnieku  un praktiķu lietišķā sadarbība. Līdz ar to radās iespēja veikt skulptūru un apšuvuma iežu detalizētu izpēti, kas iepriekš nekad nebija realizēta. Lielas grūtības sagādāja tas, ka sākotnējai pētniecībai pirms pieminekļa daļu demontāžas bija pieejamas tikai dažu iežu bloku nelielas atlūzas, no kurām arī tika gatavoti iežu plānslīpējumi, kā arī īpašie preparāti fotografēšanai skenējošajā elektronu mikroskopā [11]. 

Mēneša priekšmetam izvēlētais unikālais travertīna paraugs, kas atspoguļo 90 gadu ilgās akmens pārvērtības piemineklī, LU Muzejā nonācis pateicoties daudzu cilvēku sapratnei par tā zinātnisko vērtību un par īpatnībām, kuras norāda uz akmens izmaiņu procesu pilsētvidē, kā arī akmens restauratoru gādībai, lai īpaši, neatkārtojami etalonparaugi nezustu laika gaitā. Informācija par paraugu un tā precīzu ieguves vietu ir ļoti būtiska nākamajiem pētniekiem. Par Mēneša priekšmetu nominētā travertīna parauga ievācēja ir pieminekļa atjaunošanas projekta dalībniece Inese Sidraba [10], un zināms, ka paraugs iegūts 2000. gadā no stipri piesārņota un korodējuša Itālijas travertīna akmens bloka virs ieejas durvīm piemineklī. 
 

Travertīna rašanās Zemes garozā

Itālijas travertīns ir porains nogulumiezis, kurš sastāv no minerāla kalcīta. Zinātnieki detalizētajos pētījumos noskaidrojuši, ka tas radies pleistocēna laikā karbonātiskām nogulām izgulsnējoties no saldūdens kontinentālos apstākļos, turklāt tā veidošanos ietekmējuši arī hidrotermālie (karstie) avoti (zona starp Apenīniem un vulkānisko rajonu). Derīgā izrakteņa iegulā Tivoli netālu no Romas, kas ir ap 7 km gara un ap 4 km plata un kurā jau gadu desmitiem darbojas vairāki karjeri, sastopami atšķirīgi ieža paveidi, kuru slāņu kopējais biezums maksimāli ir pat 60 m. Dabā sastopami nedaudz atšķirīgi paveidi ko ieguves vietās izzāģētajās plāksnēs var labi saskatīt. Brīvības piemineklī Rīgā izmantots romāņu travertīna paveids, kuru komercpasaulē pazīst kā Classico Light un šodien izmanto ne tikai Itālijā. Tas tiek eksportēts uz daudzām pasaules valstīm – ASV, Ķīnu un citām. 

Akmens paraugā ieraugāmās īpatnības, piemēram, slāņainība, poraini laukumiņi, kavernas ar kalcīta kristāliem, koku lapu nospiedumi (pat saplaisājušā paraugā no Brīvības pieminekļa fasādes!) viennozīmīgi norāda uz ieža sākotni kā nogulumiem kvartāra perioda pleistocēnā

Travertīns ilgajos ģeoloģiskajos procesos pārveidojas. Pārkristalizācija, plaisāšana, kā arī šķīšana pazemes ūdeņu ietekmē un dobumu izveidošanās, kuros iespējama lielo kalcīta kristālu augšana, ir biežāk konstatējamās iezīmes. Arī jaunu minerālu veidojumus pētnieki izmanto kā ieža pārveidošanās, ģeoloģiskās vides un klimata indikatorus. 
 

Travertīna ieguve un izmantošana kultūrvēsturiskajos pieminekļos

Latvijā Itālijas travertīnu ieveda 1932. gadā Brīvības pieminekļa (Rīga, 1935) celtniecībai. Pēc Brīvības pieminekļa pabeigšanas atlikušo travertīnu izmantoja vairāku šodien Valsts aizsargājamo kultūras pieminekļu sarakstā iekļauto pieminekļu celtniecībā: Rīgas Brāļu kapu ansamblī (1936), Smārdes Brāļu kapos Tukuma rajonā (1937), piemineklim Latvijas neatkarības cīņās kritušajiem Cenu pagastā Jelgavas rajonā (1937). Tiem piešķirts kultūrvēsturiskā pieminekļa statuss [11, 13].

Travertīns ir piemērots dažādu celtņu būvniecībai, arī kā dekoratīvs, ilgmūžīgs ēku apdares materiāls. No Brīvības piemineklī redzamajiem materiāliem apkārtējās vides iedarbībai vairāk pakļauts, protams, ir travertīns. Kur tieši tas iegūts akmens ieguves un apstrādes uzņēmumā Travertini Giansanti rādīja F. Mariotti kungs, kurš mantojis savu uzņēmumu no tēva Luidži un vectēva Karlo Bartolīni, kuri, savukārt, 1932. gadā meklējuši un devuši akmeni tēlniekam Kārlim Zālem vešanai tālu uz ziemeļiem, uz tādu dienvidniekiem noslēpumainu pilsētu kā Rīga - nozīmīga pieminekļa būvniecībai.
 

Izpētes rezultāti 

RTU Materiālzinātnes un lietišķās ķīmijas fakultātes Akmens materiālu konservācijas un restaurācijas centrā Brīvības piemineklī izmantoto materiālu izpēte bija sākusies jau sen. Apkārtējās vides agresivitātei vairāk pakļauts ir travertīns. Ar to apšūts viss pieminekļa obelisks un veidoti skulpturālie ciļņi. Gaišais dzeltenīgi baltais porainais akmens materiāls sastāv tikai no minerāla kalcīta, tā veidošanās atšķiras no kaļķakmeņu un saldūdens kaļķiežu izcelsmes. 

Viens no Brīvības pieminekļa pirms restaurācijas izpētes projekta speciālistu grupas izpētesuzdevumiem bija izvērtēt un izvēlēties piemērotāko no daudzajiem travertīna paveidiem. Ieža monolītiem maksimāli tuvu bija jāatbilst piemineklī esošajam materiālam, ko varēja novērtēt pēc vizuāliem parametriem: krāsas, tekstūras, struktūras, kā arī pēc fizikālām, mehāniskām īpašībām un tehnoloģiskiem rādītājiem. Ja krāsa iezim ieguves vietā karjerā bija ļoti gaiši dzeltenīga, tad bija jāmeklē mazliet pelēcīgāku toņu akmeņi. Uzdevums bija grūts tādā aspektā, ka 20. gadsimta trīsdesmitajos gados travertīnu ieguva citā iegulas vietā un no citiem slāņiem, kuri sen vairs netiek izmantoti. Diskusijas un pārrunas bija diezgan ilgas. Tomēr bija cerība, ka iegūtie un attiecīgos virzienos izzāģētie lielie akmens monolīti būs atbilstošs restaurācijas materiāls. Jau izzāģētajos monolītos speciālisti atklāja neatbilstību, precīzāk - plaisas, un bija jāsamaina akmens bluķi.

Brīvības pieminekļa restaurējamais travertīns, kas tika nodots muzejam, izskatās pelēks un dažviet pat melns, ar sīkām plaisiņām uz virsmas. Radušies labvēlīgi apstākļi, lai porās ieaugtu sūnas un zaļaļģes. Biologi gan nav konstatējuši ķērpjus. Akmens bloki vairāk dēdējuši tur, kur izdrupusi šuvju kaļķa-cementa-smilšu java, bet šuvju materiāls saglabājies tikai ap 30%. Lai gan akmens virsma ir nedaudz šķīdusi (to var labi redzēt mikrofotogrāfijās), tomēr plānslīpējumos novērojams, ka dziļāk iezī šo izmaiņu nav vai arī ir tikai tur, kur sastop lielākas poras un kavernas. Izpētē tika konstatēts, ka pēc 90 gadu eksponēšanas travertīnam vērojami bojājumi un virsmas izmaiņas, kas liecina par akmens materiāla dēdēšanas procesu norisi [11, 12]. Travertīns pārklājies ar melnām garoziņām, īpaši porainajā virskārtā un šādā gadījumā nepieciešama speciālistu palīdzība. Detalizētāk izpētot paraugu, un salīdzinot to ar līdzīgiem paraugiem muzeja kolekcijā un citos vākumos, iespējams daudz labāk izprast tā “dzīves gājumu”: ne tikai tad, kad tas veidojās un pārveidojās Zemes dzīlēs miljoniem gadu ilgajos dabas procesos, bet arī tad, kad tas jau izrakts akmens lauztuvē, kļuvis cilvēkiem noderīgs un priecē izcilā monumentā.

Zīmīgi un mērķtiecīgi, ka objektu pirms restaurācijas izpēte notika vienlaicīgi divos pieminekļos: Brīvības piemineklī, kas celts 1935. gadā Rīgas centrā un skulptūrā “Kritušie brāļi”, kas celta 1937. gadā un atrodas Rīgas Brāļu kapos, apmēram 20 km no pilsētas centra. Salīdzinot Brāļu kapu skulptūras ''Kritušie brāļi'' travertīnu ar dabīgo akmens materiālu Brīvības pieminekļa ciļņos, kurš tika pētīts iepriekš, šis travertīns dēdējis mazākā mērā. Galvenās atšķirības izpaužas virsmas piesārņojuma daudzumā. Te novērojamas tikai atsevišķas jaunveidotas melna piesārņojuma daļiņas, nevis blīvāki veidojumi. Tādēļ dēdējušās nelīdzenās virsmas sīkiedobumainais raksturs labi saskatāms, bet ieža izmaiņas parasti novērojamas tikai plānā virsējā kārtiņā dažu milimetru (atsevišķos gadījumos līdz 1 cm) biezā slānītī. Pētītajos paraugos sastapti dažādi mikroskopiski augi vairāk nekā travertīnā no Brīvības pieminekļa [5].

Līdzīga kā Brīvības piemineklī sākotnēji izmantotajam travertīnam, arī restaurācijā izmantotā travertīna struktūra ir slēptkristāliska un mikrograudaina līdz sīkgraudainai, turklāt ievāktie aizvietotāja ieža paraugi kā etaloni saglabāti arī Muzeja krājumā.

2001. gada 24. aprīlī Latvijas Zinātņu akadēmijā notika saruna ar Brīvības pieminekļa atjaunošanas fonda pārstāvjiem, RTU un LU zinātniekiem, kā arī citiem pieminekļa atjaunošanas programmā iesaistītajiem dalībniekiem par zinātnisko problēmu risinājumu. Pēc šīs sarunas preses konferencē piedalījās Brīvības pieminekļa atjaunošanas fonda priekšsēdētājs Raimonds Bulte, Brīvības pieminekļa un Brāļu kapu pārvaldes direktors Eižens Upmanis, Brīvības pieminekļa restaurācijas projekta arhitektūras daļas autors, restaurācijas arhitekts Raimonds Aide, SIA AKM vadītājs Pēteris Zvaunis, RTU Materiālzinātnes un lietišķās ķīmijas fakultātes prodekāns prof. Mārcis Dzenis, zinātnieces Inese Sidraba, Linda Krāģe (abas – RTU) un Vija Hodireva (LU), kurām Latvijas Zinātņu akadēmijas un Itālijas Nacionālās Lincei akadēmijas sadarbības līguma ietvaros 2001. gada martā bija iespēja apmeklēt Romu un travertīna ieguves vietas, lai izvērtētu akmens atbilstību un piemērotību Brīvības pieminekļa atjaunotnei [8]. 

Brīvības piemineklim tika veikta visnopietnākā tā sakopšana visā tā pastāvēšanas vēsturē. Ne velti tas bija aizsegts sastatnēm ilgstoši. Rīgas 800 gadu jubilejā 2001. gada 24. jūlijā notika Brīvības pieminekļa svinīgās atklāšanas ceremonija, kad skatītāji no jauna to ieraudzīja visā tā skaistumā un cildenumā.

Lai izvairītos no turpmākām grūtībām, kuras daudziem šķiet radušās ‘’pēkšņi’’, no 2002. gada tika rasta iespēja dabīgos akmens materiālus uzraudzīt un kopt regulāri. Tikai zinot, kā tie dzīvo mums līdzās, un kas ar tiem notiek, iespējams prognozēt iežu pārvērtību un izmaiņu procesus pilsētas vidē un akmenim arī savlaicīgi palīdzēt [3, 14]. Uz jautājumu, cik bieži nākotnē būs jāapkopj atjaunotais Brīvības piemineklis, restaurācijas arhitekta Raimonda Aides atbilde skanēja: “Katru gadu divas reizes gadā! 1999. gadā notīrītajam travertīnam jau šobrīd būtu nepieciešama tīrīšanas, jo tam ir atjaunojusies biokorozija” [8]. 

Daudzi iepriekš minētā pētījuma aspekti un atklājumi ir fokusējušies Muzeja priekšmetā, kurš šobrīd ir apskatāms ekspozīcijā. Tā vizuālais izskats ir ļoti izteiksmīgs, ikviens muzeja apmeklētājs to ievēro un velta tam uzmanību, kā arī grib saprast tā daudzveidīgo un neparasto vēstījumu. LU Muzeja Ģeoloģijas kolekciju krājumā veidojas arī akmens materiālu kolekcijas, kas ataino kultūrvēsturisko objektu, ēku un citu būvju ietērpakmeņu tipus un paveidus, kuri izmantoti jau no senatnes un mūsdienās nokļūst speciālistu – restauratoru redzeslokā [7]. Tāpat, kā Brīvības pieminekļa travertīns, arī citu būvju akmens materiālu paraugi, kas nodoti muzejā un saglabāti, var kalpot turpmākai izpētei. 

Muzeja darbinieki ir pateicīgi dāvinātājiem, kā arī iepriecināti un gandarīti par kolekciju papildināšanu, jo viens no LU Muzeja darba aspektiem ir akcentēt un darīt plaši atpazīstamus arī īpaši retus ģeoloģiskos veidojumus gan dabā, gan cilvēku veidotajos pieminekļos, līdz ar to mudinot sabiedrību saudzēt tos un izprast dabas daudzveidības vērtību.

 

LU Muzeja Ģeoloģijas kolekcijas iespējams apmeklēt iepriekš piesakoties.


[1] Apsītis, V. 1993. Brīvības piemineklis. Rīga, ''Zinātne''. 199 lpp. 

[2] Brīvības piemineklis. Tautas celts un aprūpēts. 2002. Red. M. Caune. Brīvības pieminekļa atjaunošanas fonds. 220 lpp. 

[3] Hodireva V. 2001. Brīvības piemineklim izmantoto akmens materiālu dēdēšana agresīvajā pilsētvidē. Latvijas Universitāte, Ģeoloģijas muzeja krājums. 

[4] Hodireva V. 2014. Vecrīgas kultūrvēsturisko objektu dabīgo akmens materiālu pirmsrestaurācijas mineraloģiskās un petrogrāfiskās izpētes rezultāti. LU 72. zinātniskā konference. Ģeogrāfija. Ģeoloģija. Vides zinātne. Referātu tēzes. Rīga, Latvijas Universitāte. 217. - 219. lpp. Publicēts:  http://www.geo.lu.lv/fileadmin/user_upload/lu_portal/projekti/gzzf/Konferences/Tezu_krajumi/A5_LU_72_konference_tezes_kopa_2014_crop_vers3.pdf.pdf 

[5] Hodireva V., Kondratjeva, S.,. Sidraba,I., Cultrone, G. 2005. Petrographical investigation of lithological types of travertines in Latvian Cultural Heritage.

[6] Horsta K., 2023. Arhitekts Ernests Štālbergs (1883 – 1958). Promocijas darba kopsavilkums. Zin. vad. Dr.habil.art. Eduards Kļaviņš. Latvijas Mākslas akadēmija, Rīga, 80 lpp. 

[7] Itālijas travertīna zinātniskā izpēte un materiāla atlase. Brīvības pieminekļa restaurācijai. “Zinātnes Vēstnesis” 2001. gada 9. aprīlis: 7 (215), ISSN 1407-6748.

[8] Kipere, Z. 2001. Par Brīvības pieminekli un travertīnu. “Zinātnes Vēstnesis”, 2001. gada 7. maijs: 9 (217) ISSN 1407-6748

[9] Kondratjeva S. 1999. Akmens materiālu izvēle un novērtējums Rīgas Brāļu kapu restaurācijai. Latvijas ģeoloģijas vēstis, nr.6..47.-49. Lpp.

[10] Sidraba I., Lūsis R., Cultrone G. Apkārtējā vidē eksponēta un neeksponēta travertīna hidrisko īpašību izvērtējums.  

[11] Sidraba I., Hodireva, V., Cultrone, G. 2003. Pilsētvidē eksponēta travertīna dēdēšanas procesi. (Weeathering processes of environmentally exposed travertine). 

[12] Sidraba I., Krage L., Igaune S., Vitina I., 2002. Corrosion and restoration of travertine and granite in Freedom Monument (Riga, Latvia), In Understanding and managing Stone Decay, Proceedings of the International Conference Stone Weathering and atmospheric Pollution Network (SWAPNET 2001), Edited by R. Prikryl and H. Viles, Charles University of Prague, The Karolinum Press; ISBN 80-246-0453-1; pp. 275-284

[13] Tramdahs A. 1939. Mūsu būvju akmeņi. Latvijas arhitektūra, Nr. 7. 

[14] Valsts Ģeoloģijas dienesta izdevums. 2007. Akmens tēlniecībā un arhitektūrā. Brīvības piemineklis. Teksts S. Kondratjeva. 

Share

Dabas mājā apskatāma izstāde "Travertīns un granīts Brīvības pieminekļa atjaunotnei"
11.12.2025

Dabas mājā apskatāma izstāde "Travertīns un granīts Brīvības pieminekļa atjaunotnei"

MĒNEŠA PRIEKŠMETS. Apdares marmorveida dolomīts
04.04.2024

MĒNEŠA PRIEKŠMETS. Apdares marmorveida dolomīts